首页
公司简介
产品中心
客户留言
联系我们
首页 >
产品中心
产品分类
拨码开关
超小型轻触开关
按钮开关
短行程按键开关
旋转编码开关
旋转选择开关
Hampolt数字编码开关
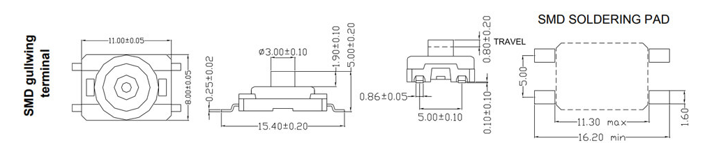
TR12S 系列
8*11 短行程按键开关 (SMD)
5,000,000次循环,防水符合IP67
产品说明
上一篇:
下一个产品
下一篇:
上一个产品
推荐产品
RM400
RS413
RS40系列
RR313
RR30系列
RM300
RS313
RS30系列
Copyright © 2025- 青岛林元鑫科技有限公司 All Rights Reserved. 备案号:
鲁ICP备2025193364号-1